Schaltplan Klimaanlage Audi A3 8l Schaltplan Klima Klimaautomatik
Stromversorgung klimaanlage audi a4 b5. Schaltplan klimaanlage audi a4 8e. Stromversorgung klimaanlage dieselschrauber
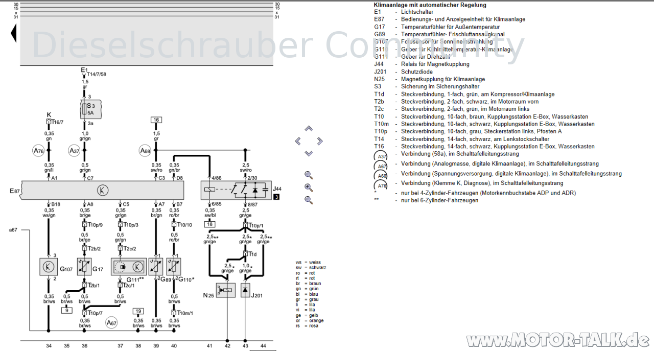
schaltplan klimaanlage audi a3 8l
Download PDF
If you are {looking for|searching about} Vw Sharan Relais Belegung you've {came|visit} to the right {place|web|page}. We have 16 {Pics|Pictures|Images} about Vw Sharan Relais Belegung like Audi A3 Schaltplan Klima, Klimaanlage Schaltplan Pdf and also Universalmotor - Ursache für "Brummen" und Erwärmung? - Mikrocontroller.net. {Read more|Here you go|Here it is}:
Lueftersteuerung-pwm : audi a6 a4 c4 abc v6 avant 2.6 wo ist (sind) die


Klimaanlage schaltplan pdf. E36 schaltplan klimaautomatik klimabedienteil nachrusten. Stromversorgung klimaanlage audi a4 b5. Lueftersteuerung-pwm : audi a6 a4 c4 abc v6 avant 2.6 wo ist (sind) die
Schaltplan Klimaanlage Audi A4 8e
Lueftersteuerung-pwm : Audi A6 a4 c4 ABC V6 Avant 2.6 wo ist (sind) die
Stromversorgung Klimaanlage Audi A4 B5 | Dieselschrauber Community
Universalmotor - Ursache für "Brummen" und Erwärmung? - Mikrocontroller.net
Peugeot 206 Lüfter Schaltplan

No comments:
Post a Comment