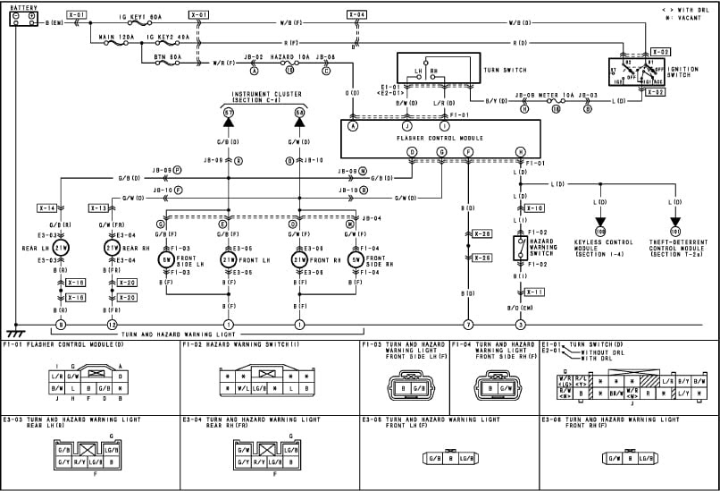
Mazda 6 Wiring Diagram 2006 2006 Mazda 6 Fuse Box Diagram
Need help with window wiring on 2002 mazda tribute. 03 mazda 6 fuel filter location. Mazda diagram 2006 system cooling wiring
mazda 6 wiring diagram 2006
Download PDF
Dohc protege


Mazda wiring diagram 2006 atenza. 2007 mazda 6. i am looking for a wiring schematic for the trunk release. Mazda wiring window tribute 2002 need help. Wiring diagram mazda atenza 2004
31 Mazda 3 Wiring Harness Diagram - Wire Diagram Source Information
2009 Mazda 5 Wiring Diagram - Wiring Diagram Schemas
2010 Mazda 5 Fuse Box Diagram - Fuse box location and diagrams: Mazda 5
2006 Mazda 6 Fuse Box Diagram - DIAGRAM 2006 Mazda Mx 5 Wiring Diagram
03 Mazda 6 Fuel Filter Location - Wiring Diagram Schemas

No comments:
Post a Comment